Проектування і прототипування
Ввертна деталь
Візок вивізний
Т анкер и Т анкер і пустотоутворювач
Коробка розподільна
Шнек Вайлер
Пустотоутворювачі для закладних
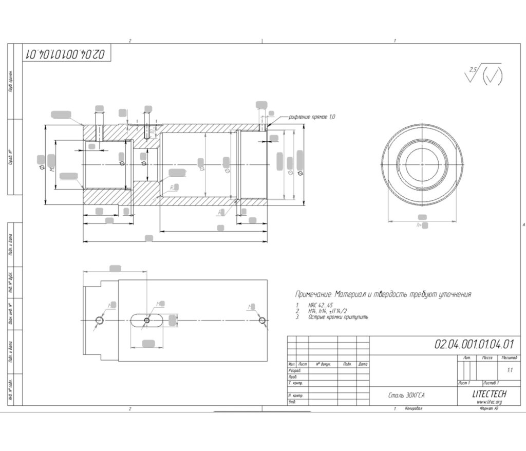
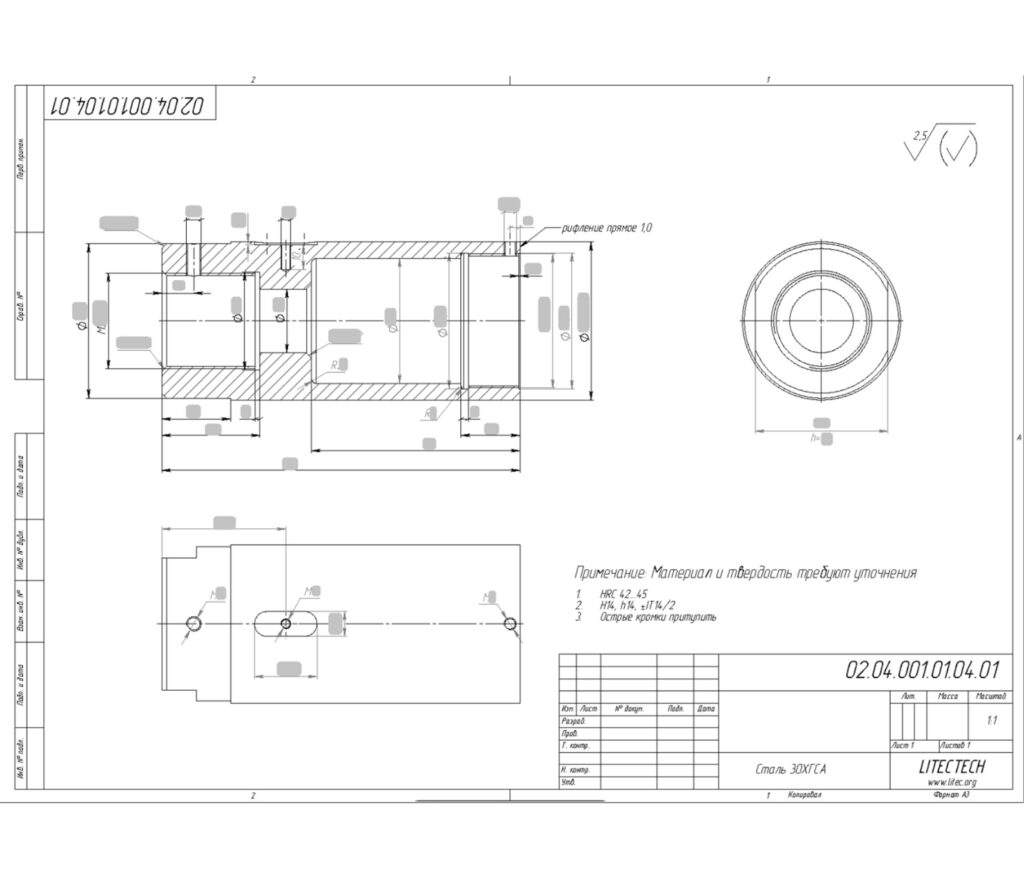
Шестерня
Плита перекриття
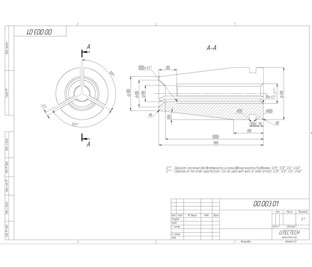
Цанга
Проектування та прототипування: Основи та Значення у Сучасному Світі
Проектування та прототипування – дві ключові фази у розробці продуктів та послуг, які відіграють важливу роль у сучасному світі технологій та інновацій. Вони є фундаментальним етапом у створенні нових виробів, програмних продуктів і навіть бізнес-моделей. Розглянемо суть та значення проектування та прототипування, а також їх вплив на різні сфери діяльності.
Проектування: Основи та Етапи
Проектування є системним і творчим процесом створення концепції продукту чи системи з урахуванням заданих вимог і обмежень. Цей етап включає аналіз потреб ринку, вивчення конкурентів, визначення функціональності і характеристик продукту. Основною метою проектування є створення докладного плану, який використовуватиметься під час розробки та виробництва.
Етапи проектування та прототипування можуть включати:
- Дослідження: Аналіз ринку, потреб клієнтів та технічних вимог.
- Концептуалізація: Розробка ідеї продукту, створення концепції та загальної структури.
- Детальне проектування: Розробка докладних креслень, схем та специфікацій.
- Проектування досвіду користувача: Створення інтерфейсів, що забезпечують зручність і унікальний досвід користувача.
- Аналіз та оптимізація: Проведення перевірок на відповідність вимогам, виявлення покращень та оптимізація конструкції.
- Прототипування: Тестування Ідей
Прототипування – це створення попередньої моделі продукту, системи чи інтерфейсу, що дозволяє перевірити концепцію, дизайн та функціональність на початок повної розробки. Прототипи можуть бути різного ступеня деталізації: від найпростіших схематичних нарисів до більш реалістичних моделей, що відтворюють зовнішній вигляд та взаємодію.
Найчастіше прототипи бувають корисними для:
- Перевірка концепції: Прототип дозволяє переконатися, що продукт відповідає очікуванням і вирішує завдання користувача.
- Тестування функціональності: Прототип може бути використаний для демонстрації ключових функцій та взаємодії з користувачем.
- Збір зворотного зв’язку: Користувальницькі тестування прототипу допомагають виявити слабкі місця та потреби користувачів.
- Прийняття рішень: На основі прототипу можна приймати рішення щодо подальшого розвитку продукту, мінімізуючи ризики.
Значення у Сучасному Світі
Проектування та прототипування відіграють критичну роль у сучасному інноваційному середовищі. Швидко мінливі технології та зростаючі очікування користувачів змушують компанії та індивідуальних розробників ретельніше підходити до розробки продуктів та послуг. Проектування дозволяє вибудовувати чіткий план та орієнтир для розробки, а прототипування забезпечує швидку перевірку гіпотез та ідей.
Залежно від сфери застосування ці етапи можуть мати різні акценти. У виробничій сфері проектування допомагає оптимізувати виробничі процеси і знизити витрати, а сфері програмного забезпечення – створити інтуїтивні інтерфейси і задовольнити потреби користувачів.
Проектування та прототипування відіграють вирішальну роль у створенні успішних продуктів та послуг. Ці етапи дозволяють перейти від ідеї до реальності, мінімізуючи ризики та покращуючи якість кінцевого продукту. У сучасному світі, де інновації є рушійною силою, вміння добре проектувати та тестувати прототипи стає невід’ємною частиною успішної розробки.
































